토르크 기어드 모터와 제어반 일체형 / 유선 리모트 컨트롤러 장력 제어 모터
(특수사양 주문제작 가능)
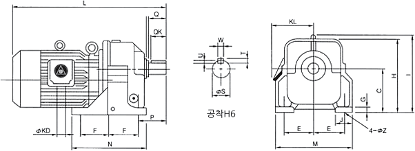
| Gear Ratio |
Output (kg/cm) |
Dimensions (m/m) | |||||||||||||||||||
|---|---|---|---|---|---|---|---|---|---|---|---|---|---|---|---|---|---|---|---|---|---|
| C | E | F | G | H | I | J | KD | KL | L | M | N | P | Z | Q | QK | S | T | U | W | ||
| 1/5-1/30 | 5 | 88 | 65 | 39 | 11 | 134 | - | 30 | 22 | - | 346 | 156 | 102 | 45 | 11 | 30 | 25 | 22 | 6 | 3.5 | 6 |
| 10 | 105 | 67.5 | 45 | 12 | 160 | - | 35 | 22 | - | 385 | 175 | 120 | 60 | 12 | 40 | 35 | 28 | 7 | 4 | 7 | |
| 20 | 135 | 90 | 67.5 | 20 | 218 | 244 | 45 | 22 | 150 | 462 | 210 | 165 | 73 | 15 | 55 | 45 | 32 | 8 | 5 | 10 | |
| 40 | 153 | 107.5 | 75 | 20 | 246 | 288 | 50 | 22 | 155 | 508 | 250 | 186 | 79.5 | 15 | 55 | 45 | 38 | 8 | 5 | 10 | |
| 60 | 172 | 116 | 86 | 25 | 282 | 324 | 60 | 28 | 184 | 600 | 276 | 216 | 113.5 | 19 | 82 | 75 | 45 | 9 | 5.5 | 14 | |
| 1/5-1/20 | 100 | 172 | 116 | 86 | 25 | 282 | 324 | 60 | 28 | 184 | 612 | 276 | 216 | 113.5 | 19 | 82 | 75 | 45 | 9 | 5.5 | 14 |
| 150 | 181 | 120 | 122.5 | 25 | 293 | 344 | 70 | 213 | 678 | 310 | 295 | 111 | 19 | 82 | 75 | 50 | 9 | 5.5 | 14 | ||
| 1/5-1/10 | 200 | 181 | 120 | 122.5 | 25 | 293 | 344 | 70 | 213 | 718 | 310 | 295 | 111 | 19 | 82 | 75 | 50 | 9 | 5.5 | 14 | |
| 1/20 | 200 | 205 | 135 | 145 | 30 | 340 | 390 | 75 | 213 | 741 | 350 | 340 | 114 | 24 | 82 | 75 | 55 | 10 | 6 | 16 | |
| 1/30 | 100 | 181 | 120 | 122.5 | 25 | 293 | 344 | 70 | 28 | 184 | 641 | 310 | 295 | 115 | 19 | 82 | 75 | 50 | 9 | 5.5 | 14 |
| 150 | 205 | 135 | 145 | 30 | 340 | 390 | 75 | 213 | 701 | 350 | 340 | 114 | 24 | 82 | 75 | 55 | 10 | 6 | 16 | ||
| 200 | 235 | 150 | 160 | 35 | 379 | 440 | 80 | 213 | 835 | 390 | 370 | 135 | 24 | 105 | 63 | 65 | 11 | 7 | 18 | ||
| 1/40-1/75 | 5 | 88 | 65 | 39 | 11 | 134 | - | 30 | 22 | - | 346 | 156 | 102 | 45 | 11 | 30 | 25 | 22 | 6 | 3.5 | 6 |
| 10 | 105 | 67.5 | 45 | 12 | 160 | - | 35 | 22 | - | 385 | 175 | 120 | 60 | 12 | 40 | 35 | 28 | 7 | 4 | 7 | |
| 20 | 153 | 107.5 | 75 | 20 | 246 | 288 | 50 | 22 | 150 | 464 | 250 | 185 | 79.5 | 15 | 55 | 45 | 38 | 8 | 5 | 10 | |
| 40 | 172 | 116 | 86 | 25 | 282 | 324 | 60 | 22 | 155 | 557 | 276 | 216 | 113.5 | 19 | 82 | 75 | 45 | 9 | 5.5 | 14 | |
| 1/40-1/50 | 60 | 181 | 120 | 122.5 | 25 | 293 | 344 | 70 | 28 | 184 | 611 | 310 | 295 | 115 | 19 | 82 | 75 | 50 | 9 | 5.5 | 14 |
| 1/60 | 60 | 205 | 135 | 145 | 30 | 340 | 390 | 75 | 28 | 184 | 634 | 350 | 340 | 115 | 24 | 82 | 75 | 55 | 10 | 6 | 16 |
| 1/40-1/50 | 100 | 205 | 135 | 145 | 30 | 340 | 390 | 75 | 28 | 184 | 664 | 350 | 340 | 115 | 24 | 82 | 75 | 55 | 10 | 6 | 16 |
| 150 | 235 | 150 | 160 | 35 | 379 | 440 | 80 | 213 | 758 | 390 | 370 | 135 | 24 | 105 | 63 | 65 | 11 | 7 | 18 | ||
| 200 | 270 | 180 | 175 | 40 | 436 | 496 | 80 | 213 | 805 | 440 | 410 | 140 | 28 | 105 | 80 | 70 | 12 | 7.5 | 20 | ||
| 1/60 | 100 | 235 | 150 | 160 | 35 | 379 | 440 | 80 | 28 | 184 | 705 | 390 | 370 | 135 | 24 | 105 | 63 | 65 | 11 | 7 | 18 |
| 150 | 270 | 180 | 175 | 40 | 436 | 496 | 80 | 213 | 768 | 440 | 410 | 140 | 28 | 105 | 80 | 70 | 12 | 7.5 | 20 | ||