본문 바로가기

Sitemap

토르크 기어드 모터 Torque Geared Motor
Vertical Type TQ

토르크 및 텐션 제어 기어드 모터 / 연속 스립 가능
(특수사양 주문제작 가능)

토르크 기어드 모터 Vertical Type 모터컨트롤러

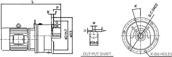
외형도
Gear
Ratio
Output
(kg/cm)
Dimensions (m/m)
C E F G H I J KD KL L M N P Z Q QK S T U W
1/5-1/30 5 88 65 39 11 134 - 30 22 - 346 156 102 45 11 30 25 22 6 3.5 6
10 105 67.5 45 12 160 - 35 22 - 385 175 120 60 12 40 35 28 7 4 7
20 135 90 67.5 20 218 244 45 22 150 462 210 165 73 15 55 45 32 8 5 10
40 153 107.5 75 20 246 288 50 22 155 508 250 186 79.5 15 55 45 38 8 5 10
60 172 116 86 25 282 324 60 28 184 600 276 216 113.5 19 82 75 45 9 5.5 14
1/5-1/20 100 172 116 86 25 282 324 60 28 184 612 276 216 113.5 19 82 75 45 9 5.5 14
150 181 120 122.5 25 293 344 70 213 678 310 295 111 19 82 75 50 9 5.5 14
1/5-1/10 200 181 120 122.5 25 293 344 70 213 718 310 295 111 19 82 75 50 9 5.5 14
1/5-1/20 200 205 135 145 30 340 390 75 213 741 350 340 114 24 82 75 55 10 6 16
1/30 100 181 120 122.5 25 293 344 70 28 184 641 310 295 115 19 82 75 50 9 5.5 14
150 205 135 145 30 340 390 75 213 701 350 340 114 24 82 75 55 10 6 16
200 235 150 160 35 379 440 80 213 835 390 370 135 24 105 63 65 11 7 18
1/40-1/75 5 88 65 39 11 134 - 30 22 - 346 156 102 45 11 30 25 22 6 3.5 6
10 105 67.5 45 12 160 - 35 22 - 385 175 120 60 12 40 35 28 7 4 7
20 153 107.5 75 20 246 288 50 22 150 464 250 185 79.5 15 55 45 38 8 5 10
40 172 116 86 25 282 324 60 22 155 557 276 216 113.5 19 82 75 45 9 5.5 14
1/40-1/50 60 181 120 122.5 25 293 344 70 28 184 611 310 295 115 19 82 75 50 9 5.5 14
1/60 60 205 135 145 30 340 390 75 28 184 634 350 340 115 24 82 75 55 10 6 16
1/40-1/50 100 205 135 145 30 340 390 75 28 184 664 350 340 115 24 82 75 55 10 6 16
150 235 150 160 35 379 440 80 213 758 390 370 135 24 105 63 65 11 7 18
200 270 180 175 40 436 496 80 213 805 440 410 140 28 105 80 70 12 7.5 20
1/60 100 235 150 160 35 379 440 80 28 184 705 390 370 135 24 105 63 65 11 7 18
150 270 180 175 40 436 496 80 213 768 440 410 140 28 105 80 70 12 7.5 20
1/5-1/10 300 205 135 145 30 340 390 75 28 184 797 350 340 115 24 82 75 55 10 6 16
1/15-1/20 300 235 150 160 35 379 440 80 28 184 864 390 370 135 24 105 63 56 11 7 18
1/5-1/10 400 235 150 160 35 379 440 80 28 184 900 390 370 135 24 105 63 56 11 7 18
1/15-1/30 400 270 180 175 40 436 496 80 213 910 440 410 140 28 105 80 70 12 7.5 20
1/5-1/30 500 300 200 195 45 485 545 89 - 1020 490 455 153 32 115 105 80 14 9 22