변속 모터 인버터 내장형 정속도/정출력 유선 리모트 컨트롤러 제어
(특수사양 주문제작 가능)
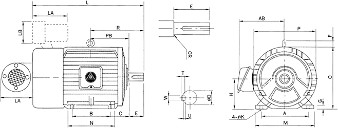
| Frame No. |
Output (kw) |
Dimensions (m/m) | |||||||||||||||||||
|---|---|---|---|---|---|---|---|---|---|---|---|---|---|---|---|---|---|---|---|---|---|
| H | A | B | C | E | L | M | N | O | ØP | R | PB | AB | ØK | ØD | W | U | T | LA | LB | ||
| 80 | 0.4/0.75 | 80 | 125 | 100 | 50 | 40 | 309 | 150 | 125 | 168 | 174 | 140 | 100 | 144 | 10 | 19h | 6 | 3.5 | 6 | - | - |
| 90L | 1.5 | 90 | 140 | 125 | 56 | 50 | 362 | 175 | 150 | 186 | 192 | 168.5 | 118.5 | 166 | 10 | 24h | 8 | 4 | 7 | - | - |
| 100L | 2.2 | 100 | 160 | 140 | 63 | 60 | 413 | 200 | 174 | 208 | 216 | 193 | 133 | 168 | 12 | 28h | 8 | 4 | 7 | - | - |
| 112M | 3.75 | 112 | 190 | 140 | 70 | 60 | 424 | 226 | 172 | 232 | 240 | 200 | 140 | 187 | 12 | 28h | 8 | 4 | 7 | - | - |
| 132S | 5.5 | 132 | 216 | 140 | 89 | 80 | 444 | 250 | 175 | 269 | 280 | 239 | 159 | 213 | 12 | 38 | 10 | 5 | 8 | 190 | 170 |
| 132M | 7.5 | 132 | 216 | 178 | 89 | 80 | 484 | 250 | 215 | 269 | 280 | 268 | 178 | 213 | 12 | 38 | 10 | 5 | 8 | 190 | 190 |
| 160M | 11 | 160 | 254 | 210 | 108 | 110 | 595 | 300 | 250 | 318 | 323 | 323 | 213 | 265 | 15 | 42 | 12 | 5 | 8 | 230 | 190 |
| 160L | 15 | 160 | 254 | 254 | 108 | 110 | 699 | 300 | 300 | 318 | 323 | 345 | 235 | 265 | 15 | 42 | 12 | 5 | 8 | 292 | 216 |
| 180M | 18.7 | 180 | 279 | 241 | 121 | 110 | 705 | 321 | 280 | 336 | 365 | 351 | 241 | 286 | 15 | 48 | 14 | 5.5 | 9 | 292 | 216 |
| 출력 | kw | 0.2 | 0.4 | 0.75 | 1.5 | 2.2 | 3.7 | 5.5 | 7.5 |
|---|---|---|---|---|---|---|---|---|---|
| hp | 1/4 | 1/2 | 1 | 2 | 3 | 5 | 7.5 | 10 | |
| 전압 | V | 220/380 | |||||||
| 정격전류 | 1/0.57 | 2.5/1.4 | 3.8/2.2 | 6.1/3.5 | 9/5.2 | 15/8.7 | 22/12 | 28/16 | |
| 극수 | 4 | ||||||||
| 주파수 | Hz | 50/60 | |||||||
| 회전수 | R.P.M | 120-1500 | |||||||
| 토르크 | kgm | 0.1 | 0.2 | 0.4 | 0.8 | 1.2 | 2.0 | 3 | 4 |