변속 모터 인버터 내장형 정속도/정출력 유선 리모트 컨트롤러 제어
(특수사양 주문제작 가능)
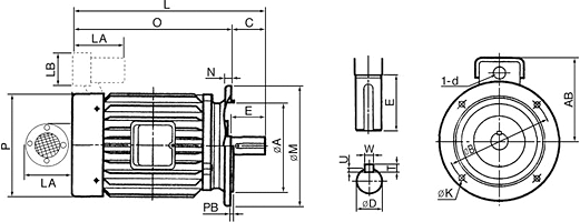
| Frame No. |
Output (kw) |
Dimensions (m/m) | |||||||||||||||||
|---|---|---|---|---|---|---|---|---|---|---|---|---|---|---|---|---|---|---|---|
| L | ØA | ØB | C | E | AB | N | ØM | O | P | PB | ØK | ØD | W | U | T | LA | LB | ||
| 71 | 0.2 | 315 | 110 | 130 | 30 | 30 | 115 | 10 | 160 | 285 | 132 | 3.5 | 10 | 14 | 5 | 3 | 5 | - | - |
| 80 | 0.4 | 338 | 130 | 165 | 40 | 40 | 140 | 12 | 200 | 298 | 175 | 3.5 | 12 | 19 | 6 | 3.5 | 6 | - | - |
| 80 | 0.75 | 338 | 130 | 165 | 40 | 40 | 140 | 12 | 200 | 298 | 175 | 3.5 | 12 | 19 | 6 | 3.5 | 6 | - | - |
| 90L | 1.5 | 401 | 130 | 165 | 50 | 50 | 161 | 12 | 200 | 351 | 192 | 3.5 | 12 | 24 | 8 | 4 | 7 | - | - |
| 100L | 2.2 | 413 | 180 | 215 | 60 | 60 | 168 | 16 | 250 | 353 | 196 | 4 | 15 | 28 | 8 | 4 | 7 | - | - |
| 112M | 3.75 | 457 | 180 | 215 | 60 | 60 | 182 | 16 | 250 | 397 | 235 | 4 | 15 | 28 | 6 | 4 | 7 | - | - |
| 132S | 5.5 | 488 | 230 | 265 | 80 | 80 | 213 | 20 | 300 | 423 | 274 | 4 | 15 | 38 | 10 | 5 | 8 | 190 | 170 |
| 132M | 7.5 | 528 | 230 | 265 | 80 | 80 | 213 | 20 | 300 | 448 | 274 | 4 | 15 | 38 | 10 | 5 | 8 | 190 | 190 |
| 160M | 11 | 625 | 250 | 300 | 110 | 110 | 265 | 20 | 350 | 515 | 317 | 5 | 19 | 42 | 12 | 5 | 8 | 230 | 190 |
| 160L | 15 | 669 | 250 | 300 | 110 | 110 | 265 | 20 | 350 | 559 | 317 | 5 | 19 | 42 | 12 | 5 | 8 | 292 | 216 |
| 180M | 18.5 | 745 | 300 | 350 | 110 | 110 | 300 | 20 | 400 | 595 | 365 | 5 | 19 | 48 | 14 | 5.5 | 9 | 292 | 216 |
| 출력 | kw | 0.2 | 0.4 | 0.75 | 1.5 | 2.2 | 3.7 | 5.5 | 7.5 |
|---|---|---|---|---|---|---|---|---|---|
| hp | 1/4 | 1/2 | 1 | 2 | 3 | 5 | 7.5 | 10 | |
| 전압 | V | 220/380 | |||||||
| 정격전류 | 1/0.57 | 2.5/1.4 | 3.8/2.2 | 6.1/3.5 | 9/5.2 | 15/8.7 | 22/12 | 28/16 | |
| 극수 | 4 | ||||||||
| 주파수 | Hz | 50/60 | |||||||
| 회전수 | R.P.M | 120-1500 | |||||||
| 토르크 | kgm | 0.1 | 0.2 | 0.4 | 0.8 | 1.2 | 2.0 | 3 | 4 |